Keskustelu tiettyyn merkkiin tai malliin liittyvistä mopoasioista.
Alueen säännöt
Tälle pääalueelle kirjoitetaan ne merkkikohtaiset asiat, jotka käsittelevät sellaisia merkkejä joille ei ole omaa ala-aluetta.
Mikäli pyörällesi on listassa ala-alue, käytä sitä tämän sivun sijaan
4.10.2012 9:26
Tuli sellainen kysymys mieleen että huolattekos te itse näitä. Kun itse ehkä hankin pv:een niin en nyt oikein ole ihan satavarma näitten tekniikasta kun olen enemmän skoottereista perillä. Mutta viedääkös näitä miten paljon noihin korjaamoihin vai huolletaakos nämä itse?
Edit: sen verran unohtui kysyä että minkäslaisia nämä pv:eet on talvella lähteekö miten helposti käyntiin vai lähteekö olleenkaan vaikka noin 10-30 asteen pakkasesta
4.10.2012 11:42
varmaan helpon mopo laittaa itse kun ei ole mitään vaikeaa juuri
ja joskus eka sykerö joka oli ihan väljä lussu nii lähti saakelin huonosti käyntiin piti lämmittää pytyn kylkeä jo -5 pakkasella :I
mutta nyt minkä kasailin 80cc nii lähtee nätisti käymään
4.10.2012 17:02
Helposti huoltaa itse, eipä paljoo huollettavaa edes ole. Öljyn vaihtaa laatikkoon, ilmanputsaria puhdistelee, ketjuja tietysti vähä puhdistelee ja rasvailee. Siinäpä se melkee on.
Ja kyllähän mopon käyntiin saa, kun on kaasari säädöissä, ryyppy toimii ja kone on kunnossa. Eihän nyt mikään väljä paska lähe käyntiin.
5.10.2012 12:02
Mistä vois johtua kun peevee paukuttaa putkessa?
5.10.2012 15:38
Käy rikkaalla/sytyttää huonosti. Vaihda tulppa, putsaa putsari ja kaasari.
6.10.2012 17:55
Moro!
Paljoko pitäs tulla tyhjäkäynnillä virtaa etu ja takavalolle? (suunnilleen)
Tulee vain 1-1.5v. Mulla on siis 6v jännitteen säädin ja muualle tulee kyllä se 4-6v.
Toinen kysymys ois sitte että mistähän löytäsin 83-vuosimallia olevan pv kytkentäkaavion?
6.10.2012 18:21
Minkälaisia vaikutuksia on/voi olla liian väljällä männällä? Esim. Sellaisella joka on kuudesti lämpöleikannut ja heiluu jo pytyn sisällä.
6.10.2012 20:54
mäntä nappaa pakoaukkoon paskoo samalla kiertokangen varmaankin..
ja ohipuhallusta voi olla havattavissa

varmaan mukava ajella sellasella

tehotonlussu
Viimeksi muokannut heka96 päivämäärä 6.10.2012 21:00, muokattu yhteensä 3 kertaa
6.10.2012 20:56
oho niimpäs olikin

entäs tämä sitten
Viimeksi muokannut heka96 päivämäärä 7.10.2012 10:47, muokattu yhteensä 2 kertaa
6.10.2012 22:06
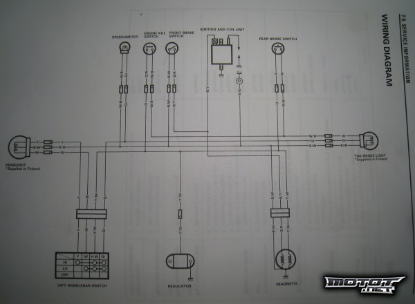
Heka, tuo sähkökaavio on johonki uudempaan pvseen ku siinä on akkuki.. pitäs saaha 83 pvseen kytkentäkaavio. Nii ja paljoko valoille pitäs tulla virtaa tyhjäkäynnillä jos on 6v jännitteensäädin?
7.10.2012 19:26
Mites on 92- vuoden peeveen magneeton aluslevyn laita että onko siinä mahdollisuutta säätää sytystä vai pitääkö niitä reikiä sorvata jollain pensselillä sellasiks että voi säätää sytystä?
7.10.2012 21:04
sand3ri kirjoitti:Mistä vois johtua kun peevee paukuttaa putkessa?
sasumeil kirjoitti:Käy rikkaalla/sytyttää huonosti. Vaihda tulppa, putsaa putsari ja kaasari.
On niitä muitakin, mm. läppien raotus ja kansi löysällä.. Ainakin oma paukutti sillon kun oli kannenpultit löystyny.. Nuo mitä sasumeil sano kannattaa kuitenkin tehä ekana..
7.10.2012 21:09
sand3ri kirjoitti:Mites on 92- vuoden peeveen magneeton aluslevyn laita että onko siinä mahdollisuutta säätää sytystä vai pitääkö niitä reikiä sorvata jollain pensselillä sellasiks että voi säätää sytystä?
Pystyy säätämään eikä tarvi reikiä leventää, ne on valmiiksi jo sopivat.
8.10.2012 10:22
heka96 kirjoitti:oho niimpäs olikin

entäs tämä sitten

Taitaa vieläki olla väärä.. eikös tuo "front brake switch" tarkoita etujarru katkaisinta (siis käsijarruvalokatkaisinta) joka tuli vasta 84 vuosimallissa. Mutta kyllä tuostakin on apua. Kiitos
9.10.2012 10:15
Mitä vikaa saattaa olla kun ilmaruuvvia ei voi pitää kaasarissa kiinni että pääsee edes liikkeelle? Muuten ei ota kierroksia melkeinpä yhtään.